OSG Speed Demon
Roller Blocks

PDF Catalog Complete Eng Data



Oil Filled Felt Wipers



Lightweight Construction
    Flexible, Low Cost  Design


THE OSG Speed Demon Linear Roller/Rail System offers:
Low Friction - .0003
High Speeds - Up to 10/ms
Adjustable Preload

Extremely Quiet & Smooth
Lightweight Construction
Flexible Design
Options
Easy Installation
Low Cost
CNC Plama Cutting Systems
3D Printers
Optical Scanning Systems

Medical Imaging Systems
Medical/Rehab/Industrial Furniture
Camera Sliders
OSG Speed Demon Linear Roller Blocks and Rails offer flexible, low friction, maintenance-free, quiet and smooth operation at the lowest possible price point.


Sea Container Vertical
Motion Scanning System



Paper Printing Dryer System



AC Motor Linear Adjustment


OSG Roller blocks provide stable, flexible and accurate linear motion. When you compare the cost of an OSG system against linear ball bearings and round rail, the get better the longer the rail. Max Rail Lengths 13 feet
. Specific lengths are cut-to-size.


Axial & Radial Loading

Unique Construction


Moment Loads




OSG is one of the most popular - worldwide -block and rail sytems used in the large camera slider industry.

NOTE:
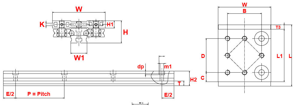
Cut-to-length rails have equal spacing (E/2) from both ends to the centerline of the first mounting hole

OSGB
OSGR
Whole System OSGR Rail Dimensions and Data  OSG Block Load Data
SIZE W H W1 H2 dp T Shaft
Dia.
Rail Weight
(g/m)
m1 m W H1 L  B L1 S T3 C D K Basic Dynamic Safe Working Load (N) Dynamic Moment (N-m) Block
Weight
g/each
YO Z0 Mxo Myo Mzo
20 60 32 20 20.5 5.5 11.45 6 1230 9.5 5.5 60 12 80 38 18 M5 11 11 38 4.3 700 660 23.04 33.41 35.47 120
25 80 37 25 24.75 6.5 13.93 8 2015 11 6.6 80 12 100 51 26 M6 11 14.5 51 4.2 1400 1000 62.76 68 95.2 240
30 100 46 30 30.3 6.5 16.18 10 2987 11 6.6 100 16.5 120 61 36 M8 11 19.5 61 5.2 2100 1800 105.98 147.89 172.54 520
40 130 55 40 36.2 9 18.7 12 5216 14 9 130 18 130 38 84 M12 11 23 84 6.2 4000 3400 290.64 380 448 1130

 
          3D Printer Axis

Near Infinate Rail Lengths with OSG Speed Demon



OSG's 2 piece rail construction allows for unlimited rail legnths. LM76 staggers shafting over extrusion joints ensuring smooth, uninteruppted transitions. Rail lengths over 100 Feet have been assembled. Unlike fully supported round shaft or profile rail assemblies that have to be butt-joined,OSG's transistions are almost seamless and...
for a fraction of the cost.